當前位置:產品中心 > 橢圓齒輪流量計 > CL20型齒輪流量計
| 型 號: | DCL20 |
| 品 牌: | |
| 所屬分類: | 橢圓齒輪流量計 |
| 所 在 地: | 上海 |
| 更新日期: | 2025.04.01 12:12:57 |
連接螺紋: G1/2 始動流量: 0.05L/min 流量范圍: 0.2-20L/min 本體材質: 316L不銹鋼 耐壓等級: 40Mpa
產品名稱: CL20型齒輪流量計
產品型號: CL20
連接螺紋: G1/2
始動流量: 0.05L/min
流量范圍: 0.2-20L/min
本體材質: 316L不銹鋼
耐壓等級: 40Mpa






? ? ? ??技術指標:
? ? ? ? 環境溫度:–30°C –? +60°C
? ? ? ? 介質溫度:–60°C – +150°C
? ? ? ? 殼體材料:不銹鋼316L
? ? ? ? 齒輪材料:不銹鋼316L,德標不銹鋼1.4122
? ? ? ? 軸? ? 承:不銹鋼球軸承,鎢鋼合金滑動軸承
? ? ? ? 最大允許雜質粒子介質尺寸(單位:μm):20μm
? ? ? ? 測量范圍:0.005-100 L/min
? ? ? ? 精度(測量值):±0.5%當 ≥20 cSt 時
? ? ? ? 粘度:1~100000 cSt
? ? ? ? 最大圧損?pmax:16bar(和介質粘度大小/流速大小有關)
? ? ? ? 最大耐壓:40MPa
? ? ?產品特性:
? ? ?? 針對各種應用,借助不同的間隙、不同的軸承類型及不同材料,CL 系列齒輪式流量計可實現不同介質的測量。
? ? ?? 具有廣泛的測量范圍和多種規格,可以滿足不同的需求。
? ? ?? 在指定范圍內,測量不受粘度影響。
? ? ?? 低壓降
? ? ?? 高靈敏測量
? ? ?? 高工作壓力
? ? ?? 低噪音
? ? ?? 具有出色重復精度的高精度測量
? ? ?? 在較廣的溫度范圍內,輸出信號不受溫度影響
? ? ?? 在低流速測量范圍的下限依然能保持高精度
? ? ?? 電子元件的高操作可靠性
? ? ?? 前置放大器終端易于使用
?






?
典型應用:

技術規格:

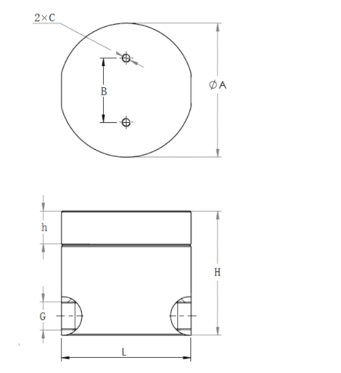
規格尺寸圖:

?

型號規格:
?

?
多欽儀表技術服務團隊專注于流量計近20年,特別推薦: 渦街流量計、電磁流量計、蒸汽流量計、氣體流量計、橢圓齒輪流量計、金屬管浮子流量計、超聲波流量計等多種流量計的計量服務,特別是流量GPRS手機端、PC端數據在線監控等多方面技術服務。
?